白蕾丝网袜兔女郎自慰,网曝门事件热门明星合成视频,老司机无码福利在线观看,香蕉依香蕉依人在线电影,欧美另类videosgrstv,五月丁香拍拍激情综合,免费AV直接观看看黄,艺校白嫩美女展示自拍16部

科瑞特空調集團,消防排煙風機,暖通空調設備一站式采購。

選擇語言
  1. 簡體中文 簡體中文
  2. English English
  3. русский русский
電話 13356848575
科瑞特空調集團有限公司大門口

常見問題

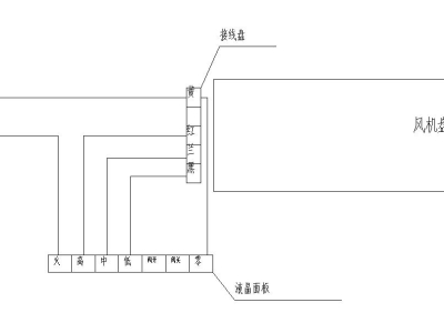
  • 臥式暗裝風機盤管的安裝接線圖及接管圖詳細說明 11/09/2024

    臥式暗裝風機盤管的安裝接線圖及接管圖詳細說明

    2024/11/09

    風機盤管的接線是一個關鍵步驟,確保設備正常運行和安全。以下是一個典型的風機盤管接線圖和接線步驟的示例。具體的接線方式可能因品牌和型號而異,建議參考制造商提供的安裝手冊和接線圖。

    1. 柜式離心風機箱怎么安裝?怎么接線圖呢? 11/09/2024

      柜式離心風機箱怎么安裝?怎么接線圖呢?

      2024/11/09

      柜式離心風機箱的安裝和接線是一個需要專業知識和技能的過程。以下是一些基本步驟和注意事項,以及一個簡化的接線示例。具體的安裝和接線方法可能因品牌和型號而異,建議參考制造商提供的安裝手冊和接線圖。安裝步驟

      1. 消防排煙風機怎么安裝?怎么接線圖呢? 11/09/2024

        消防排煙風機怎么安裝?怎么接線圖呢?

        2024/11/09

        消防排煙風機的安裝和接線是一個專業且關鍵的過程,需要嚴格按照相關規范和制造商的指導進行。以下是一些基本步驟和注意事項:安裝步驟選擇安裝位置:選擇合適的安裝位置,通常在建筑物的頂部或側面,確保排煙通道暢

        1. 5種方法教你風機盤管怎么區分左右式 11/09/2024

          5種方法教你風機盤管怎么區分左右式

          2024/11/09

          風機盤管是一種常見的空調設備,主要用于室內空氣調節。風機盤管的左右式區分主要是根據風機的安裝位置和進風、出風方向來確定的。以下是一些常見的區分方法:    安裝位置:&n

          1. 4-72高壓離心風機:*高效節能新風尚 10/09/2024

            4-72高壓離心風機:*高效節能新風尚

            2024/10/09

            在現代工業和商業環境中,高效、節能的風機設備已經成為不可或缺的一部分。為了滿足市場對高性能風機的需求,4-72高壓離心風機應運而生,旨在為各類應用場景提供*的風力解決方案。4-72高壓離心風機是一款

            1. 多葉排煙口與正壓送風口工作原理及特點 10/09/2024

              多葉排煙口與正壓送風口工作原理及特點

              2024/10/09

              好的,根據您的描述,您希望了解多葉排煙口的安裝要求、排煙風機的選擇標準以及機械排煙系統的布置原則。以下是詳細解釋:### 一、多葉排煙口的安裝要求1. **安裝位置**?? - 多

              1. 消防排煙風機應該如何設置防火閥 10/09/2024

                消防排煙風機應該如何設置防火閥

                2024/10/09

                好的,以下是關于排煙風機設置防火閥的詳細要求:### 一、排煙風機入口處的防火閥設置1. **總管上設置排煙防火閥**?? - 在消防排煙風機入口處的總管上應設置當煙氣溫度超過28

                1. 如何調試消防排煙風機? 10/09/2024

                  如何調試消防排煙風機?

                  2024/10/09

                  好的,以下是關于消防排煙風機的布置和調試的詳細解釋:### 一、消防排煙風機的布置1. **管道安裝**?? - 在排風機與排氣系統之間的管道上應安裝一定的排煙防火閥。?

                  1. 首頁
                  2. 上一頁
                  3. 1
                  4. 2
                  5. 3
                  6. 4
                  7. 5
                  8. 6
                  9. 7
                  10. 8
                  11. 9
                  12. 10
                  13. 下一頁
                  14. 末頁
                  白蕾丝网袜兔女郎自慰,网曝门事件热门明星合成视频,老司机无码福利在线观看,香蕉依香蕉依人在线电影,欧美另类videosgrstv,五月丁香拍拍激情综合,免费AV直接观看看黄,艺校白嫩美女展示自拍16部