首頁 公司簡介 關于我們 科技創新 哈爾濱工程大學產學研合作 北京科技大學產學研合作 應急管理大學(華北科技學院)產學研合作 北京工業大學產學研合作 青島融創工程研究院 山東大學能源與動力工程學院產學研合作 發展歷程 關于我們 科技創新 發展歷程 產品中心 消防排煙系列 3C認證消防排煙風機 隧道射流風機 HTFC柜式離心風機箱 組合式柜式風機油煙凈化機組 二次動作排煙閥 防水百葉風口 中央空調系列 機房專用精密空調 全熱交換器 燃氣加熱送風機組 直膨式空調機組 熱回收新風空調機組 新風換氣機 石化抗爆系列 HDB大風量抗爆閥 新風化學過濾機組 自動防爆波閥門 自清潔沙塵過濾機組 自重式無動力沙塵過濾裝置 不銹鋼鹽霧過濾器 工業通風系列 RTC系列低噪聲離心式屋頂排風機 HTFC-V柜式離心風機 4-72離心風機 XBDZ型壁式軸流風機 4-68型離心通風機 Y5-47鍋爐離心引風機 醫院凈化系列 數字化分體式能量回收新風/排風機組 帶DOP檢測高效過濾送風口 VAV變風量閥門 數字智能新風換氣機 EC數字化節能風機 EC智能數字化風機 空氣過濾器系列 316不銹鋼氣液分離器 鹽霧過濾器 F8中效袋式過濾器 超低阻有隔板高效空氣過濾器 G4初效板式過濾器 V型組合式高效空氣過濾器 消防排煙系列 中央空調系列 石化抗爆系列 工業通風系列 醫院凈化系列 空氣過濾器系列 新聞資訊 公司新聞 科瑞特空調集團榮膺“山東省質量標桿典型經驗企業” 以匠心鑄品質標桿 科瑞特歐亞經濟聯盟俄羅斯辦事處即將啟運 憑EAC認證推動“魯權屯造”暖通設備拓界國際 贛湘智能穿戴科技產業園建設項目考察團蒞臨科瑞特空調集團考察交流 科瑞特CT4防爆暖風機成功出口海外 彰顯中國制造硬實力 龍口市盧市長一行蒞臨我縣考察調研 科瑞特集團展現本地暖通空調企業風采 全鋁制防爆型屋頂風機安裝施工方案 常見問題 焦爐專用防爆送風機組 | 保障焦爐地下室安全的核心通風解決方案 干式化學過濾器:高效、經濟的工業廢氣前端處理核心方案 自清潔沙塵過濾機組:為電石爐配電室打造免維護的正壓通風防線 科瑞特室內循環式化學過濾機組:無需風管,主動凈化室內空氣 NF-QZB 軸流蒸汽暖風機:高效工業空間采暖解決方案 NF-GS(Q)ZBXF 新風加熱型暖風機:穩定補風,杜絕室內溫度波動 行業新聞 跨越15米送風距離:高大空間專用吊頂空調破解場館制冷難題 重量狂減40%:新型防冷橋設計讓吊頂式空調安裝變得"輕而易舉" 數字賦能,智領未來——科瑞特暖通空調系統數字化解決方案 凈化空氣,守護健康——科瑞特醫院凈化系統為醫療安全保駕護航 特殊環境,專業保障——科瑞特防爆抗爆通風系統守護工業安全 智慧消防新革命:物聯網如何重塑排煙風機行業 公司新聞 常見問題 行業新聞 案例展示 榮譽資質 榮譽證書 成長板股權代碼 新星企業 德州市科學技術獎 中國環保產品認證證書 建筑施工資質 高新技術企業 綠色建材認證 中國綠色建材產品認證證書-軸流通風機 中國綠色建材產品認證證書-組合式空調機組 中國綠色建材產品認證證書-通用風機盤管機組 中國綠色建材產品認證證書-復合材料風管 中國綠色建材產品認證證書-離心通風機 榮譽證書 綠色建材認證 電子樣冊 工程詢價 聯系我們
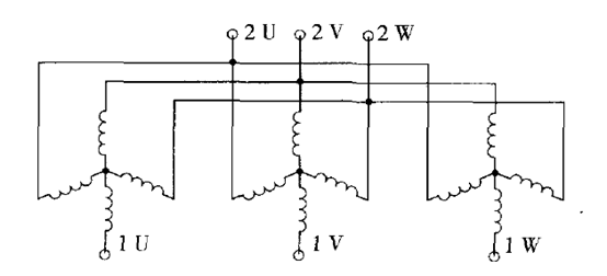
YD和YDT電機,常用雙速風機的接線分析 發布日期: 2024-11-19 07:53:16 閱讀量: 6825 作者: admin 上一篇 模塊式抗爆閥和大風量抗爆閥的區別? 下一篇 VAV變風量閥工作控制原理 新聞推薦 軸流風機故障分析和解決方法 2024/06/04 離心風機軸承保養周期和溫度升高原因分析 2024/06/04 臥式暗裝風機盤管的安裝接線圖及接管圖詳細說明 2024/11/09 柜式離心風機箱怎么安裝?怎么接線圖呢? 2024/11/09 消防排煙風機怎么安裝?怎么接線圖呢? 2024/11/09 高壓風機電機燒壞原因及避免方法 2024/08/03 四管制風機盤管和普通的區別 2024/07/08 風機盤管和新風系統的組合設計 2024/07/08